产品名称:大口径超声波水表
英文型号及规格:DN50~1000
产品介绍:超声波水表是组对超声波传感器在确定流向管段中互射超声波,测得反射达到对方发射面的时间差,积算出单位时间内水的流速。再依据管段截面积、时间,积算出通过管段的水量,是电子水表。一般用于小区或单位主水管道管道自来水供水计量,也可用于厂矿单位生产用水考核计量。可与远传控制阀、数据采集器、集中器、管理软件组合搭建“水计量智慧管理系统”,实现水计量智慧管理。
适用标准:CJ/T 434-2013 超声波水表
材质:球墨铸铁、不锈钢
通讯方式:M_Bus/RS485/Cat.1/NB-IoT
产品特点:
1、可定制M_Bus/RS485/Cat.1/NB-IoT等通讯协议,适合介入成熟抄表系统。
2、与抄表系统相结合,建立远程抄表管理系统,真正实现抄表自动化。
3、通讯协议可灵活通用,满足《CJ/T188-2012户用计量仪表数据传输技术条件》
4、防护等级:IP68
5、显示累计流量(m3)、流速(m3/h)、水温(℃)、水表编号、累计工作时间、故障信息等;
6、无机械传动部件,零磨损,零压损;
7、双声道设计,测量精度:2级
8、通讯接口标配M-Bus远传接口,可选NB-loT、RS485、4-20mA、脉冲、无线470MHz、无线Cat.1/NB-IoT等多种接口。
9、具有电池电量、流量信号、管道泄漏、管道爆裂、水流方向等自检告警功能;
10、专业的管道设计,确保被测水场流态稳定。
技术参数
流量参数
公称口径 | 常用流量 Q3(m³/h) | 分界流量 Q2(m³/h) | 最小流量 Q1(m³/h) | 过载流量Q4(m³/h) | mm | 脉冲当量 (L) |
DN50 | 25 | 0.250 | 0.156 | 31.25 | 200 | 0.01 |
DN65 | 40 | 0.400 | 0.250 | 50 | 200 | 0.02 |
DN80 | 63 | 0.630 | 0.394 | 78.75 | 225 | 0.03 |
DN100 | 100 | 1.000 | 0.625 | 125 | 250 | 0.05 |
DN125 | 160 | 1.600 | 1.000 | 200 | 250 | 0.1 |
DN150 | 250 | 2.500 | 1.562 | 312.5 | 300 | 0.1 |
DN200 | 400 | 4.000 | 2.500 | 500 | 350 | 0.2 |
DN250 | 630 | 6.300 | 3.938 | 787.5 | 450 | 0.3 |
DN300 | 1000 | 10.000 | 6.250 | 1250 | 500 | 0.5 |
DN350 | 1400 | 14.000 | 8.750 | 1750 | 500 | 0.5 |
DN400 | 1600 | 16.000 | 10.000 | 2000 | 500 | 0.8 |
DN500 | 2500 | 25.000 | 15.625 | 3125 | 500 | 1.5 |
量程比 | Q3/Q1=160 可扩展到200、250、400、500、800、1000 |
安装连接方式 | 法兰连接 |
压力损失等级 | Δp40 |
压力等级 | MAP10 |
数据存储 | 连续储存前18个月的历史记录。 |
断电保护 | 停电后可保存断电前所记录累计流量及所对应的时间,电源恢复后自动恢复计量功能 |
远传方式 | 标配M-Bus远传,可定制RS485、无线470MHz、无线Cat.1/NB-IoT |
电源 | ER34615锂电池 /MBUS远传供电 |
保护等级 | IP65(IP68需定制) |
工作环境 | 温度:-15°C~+55°C,环境相对湿度:<90% |
安装位置 | 测量单位水管总入口 |
耐久性 | 使用周期≥6年 |
示值误差限
从包括最小流量(Q1)在内到不包括分界流量(Q2)的最低区中的最大允许误差为±5%,从括分界流量(Q2)在内到包括过载流量(Q4)的高区中最大允许误差为±2%。
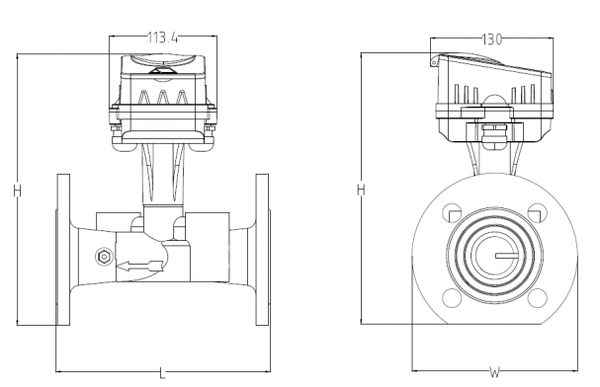
外形尺寸及重量

公称口径 DN(mm) | 表长L(mm) | 表高H(mm) | 表宽W(mm) | 螺栓规格 | 螺栓孔数 |
DN50 | 200 | 220 | 170 | M16 | 4 |
DN65 | 200 | 240 | 185 | M16 | 4 |
DN80 | 225 | 255 | 250 | M16 | 8 |
DN100 | 250 | 275 | 270 | M16 | 8 |
DN125 | 250 | 305 | 300 | M16 | 8 |
DN150 | 300 | 335 | 330 | M20 | 8 |
DN200 | 350 | 395 | 380 | M20 | 8 |
DN250 | 450 | 455 | 450 | M20 | 12 |
DN300 | 500 | 505 | 500 | M20 | 12 |
DN350 | 500 | 565 | 560 | M20 | 16 |
DN400 | 500 | 620 | 610 | M24 | 16 |
DN500 | 500 | 620 | 720 | M24 | 20 |